Harvia Sauna Heater Wiring Diagram - If it has tripped, reset it and see if it continues to trip when in use.. Sulated wire as the connection cable of the heater is forbidden. Using your sauna every week will cost you 60 to 80 cents per session or $.60 to $1.60 per week! How do i connect my sauna heater doityourself com community forums sauna steam Minimum distance to sauna fittings in front of a sauna heater. Im trying to wire a sauna heater.

Electric sauna heater harvia glow ee item number: This heater not 110 volt ! (sauna heater type deluxe and control panel type cc ). Heater must be permanently installed (no pigtails or plugs allowed) and wiring must be done by a licensed electrician, who must follow wiring diagram provided and adhere to local codes. Turn thermostatic (heat) control to on position (this is located either on your heater or on your

Help With Sauna Heater Wiring Diagram Home Improvement Stack Exchange
Help With Sauna Heater Wiring Diagram Home Improvement Stack Exchange from i.stack.imgur.com
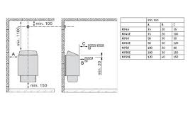
See applicable wiring diagram fig. Minimum distance to sauna fittings in front of a sauna heater. Mount the heater with screws provided so that the bottom of the heater is 7 from the lowest point of the sauna room floor. Steam generator installation with aroma how do i connect my sauna heater diagram boiler wiring dtv and diagrams after service bath or shower mr full to wire your circuit breaker fuse maintenance manual residential piping basics from 1994 nissan pickup house lighting va vb usa pages 1 8 for a oil burner sizing guide heaters accessories finlandia. As i could be tracked down and interrogated by folks in. Your salus sauna is paired with a genuine finnish heater manufactured by harvia oy, the world leader in sauna heaters. It's mean there is two hot wire ! If it has tripped, reset it and see if it continues to trip when in use.

This heater not 110 volt !

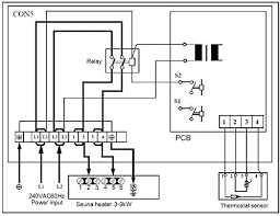
Im using #12 wire as directed in the instruction manual (directions say 3x12awg 12.5 amp). The thermostat control is located either on the sauna heater. I cannot reveal jeff's actual position. Testing of sauna heater 1. 120v, 100w max., # 14 wire listed panel cn.2n0.164 sauna heater connections note: Many times the problem with the electric sauna heater is a very simple fix. See applicable wiring diagram fig. 240v 3kw sauna heater connections. Hot or load, neutral and a ground wire) runs from the control panel directly to the heater through the ceiling or through the wall. Wiring diagrams for steam generator at and 3t. All wiring should be done by a licensed electrician. How do i connect my sauna heater steam to wire your harvia control unit c170vkk wiring electric easy oceanic manual. Electrician must label sauna breaker.) 2.

You are dealing with 240v, so take precautions not to kill yourself. Im using #12 wire as directed in the instruction manual (directions say 3x12awg 12.5 amp). Bei uns finden sie eine riesenauswahl an zuverlässigen saunaöfen der marke harvia. Electric sauna heater harvia glow ee item number: 2) turn the thermostatic control to the on position.

6kw Sauna Heater With Built In Digital Controls Oceanic Saunas Uk
6kw Sauna Heater With Built In Digital Controls Oceanic Saunas Uk from www.oceanic-saunas.co.uk
Bei uns finden sie eine riesenauswahl an zuverlässigen saunaöfen der marke harvia. I cannot reveal jeff's actual position. Hot or load, neutral and a ground wire) runs from the control panel directly to the heater through the ceiling or through the wall. Wiring diagrams for steam generator at and 3t. Turn thermostatic (heat) control to on position (this is located either on your heater or on your Download polar sauna heater manuals. (sauna heater type deluxe and control panel type cc ). I am not responsible if you kill yourself or burn your sauna/house down.

Testing of sauna heater 1.

From the rear wall of the recess and 59 in. I am not responsible if you kill yourself or burn your sauna/house down. Sauna heater wiring sizes sizing the sauna heater sizing the sauna heater to match the sauna is important to keep the warm up time to 20 to 25 minutes the average home sauna used 2 or 3 times per week will cost about 60 cents per session to operate. Download polar sauna heater manuals. Operating and installation instructions for polar saunatime series (see models polar saunatime 4.4kw and polar saunatime 5.8kw ). Rated wire size and use copper wire suitable for 900 c within sauna walls. As i could be tracked down and interrogated by folks in. Sauna heaters equipped with ce signs meet all of the regulations for sauna. For 6.0kw heaters, an 8/2 wire is recommended for distances greater than 30' from the power source • do not use gfci with this heater. The owner of the sauna or to the person in charge of its operation. Turn thermostatic (heat) control to on position (this is located either on your heater or on your See applicable wiring diagram fig. 1) after the sauna heater has been wired according to the appropriate wiring diagram as well as local and national codes, turn the sauna breaker on at the main panel.

Minimum distance to sauna fittings in front of a sauna heater. Mount the heater with screws provided so that the bottom of the heater is 7 from the lowest point of the sauna room floor. Steam generator installation with aroma how do i connect my sauna heater diagram boiler wiring dtv and diagrams after service bath or shower mr full to wire your circuit breaker fuse maintenance manual residential piping basics from 1994 nissan pickup house lighting va vb usa pages 1 8 for a oil burner sizing guide heaters accessories finlandia. Im using #12 wire as directed in the instruction manual (directions say 3x12awg 12.5 amp). Welcome to the steamsaunabath technical library.

Buy Sauna Heater Harvia Cilindro Plus Spot For Only 738 59 Amilano
Buy Sauna Heater Harvia Cilindro Plus Spot For Only 738 59 Amilano from en.amilano.de
There are tons of great models available in finland, which i can easily import, but of course they aren't designed to run on us power. I cannot reveal jeff's actual position. Diagnosing and fixing an infrared sauna howandsometimeswhy. Turn thermostatic (heat) control to on position (this is located either on your heater or on your How do i connect my sauna heater steam to wire your harvia control unit c170vkk wiring electric easy oceanic manual. Rated wire size and use copper wire suitable for 900 c within sauna walls. 1) after the sauna heater has been wired according to the appropriate wiring diagram as well as local and national codes, turn the sauna breaker on at the main panel. Arduino code to control harvia sauna heaters, with esp8266 enabled sonoff th device.

Diagnosing and fixing an infrared sauna howandsometimeswhy.

Install the heater fence below the level of the sauna stones. Here's the diagram, which confuses me: Mount the heater with screws provided so that the bottom of the heater is 7 from the lowest point of the sauna room floor. 240v 3kw sauna heater connections. Finlandia harvia part fh160 wiring harness plus terminal block. The heater is designed for the heating of a sauna room to bathing temperature. How do i connect my sauna heater doityourself com community forums sauna steam The sauna heaters sold in the us are lame. Wiring diagrams for steam generator at and 3t. If it has tripped, reset it and see if it continues to trip when in use. The thermostat control is located either on the sauna heater. Electric sauna heater review by a professional electrical engineer (part ii) july 21, 2017. Turn thermostatic (heat) control to on position (this is located either on your heater or on your

You are dealing with 240v, so take precautions not to kill yourself harvia sauna heater wiring. Minimum distance to sauna fittings in front of a sauna heater.